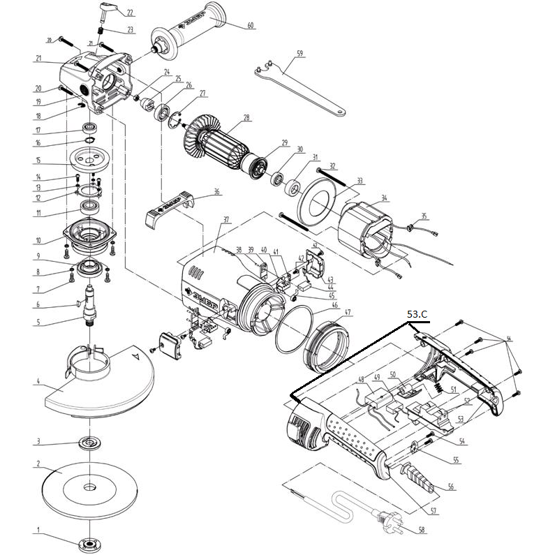
УШМ (Болгарка), 230 мм УШМ-П230-2400 ПВ
Данная модель имеет несколько схем
N Артикул Название Срок отгрузки Цена Купить
U353-115-001
Фланец прижимной внешний M14 U353-115-001 для SAG-180-1800, УШМ-П125-1000
100 р.
T21
U009-620-1RS
Подшипник шариковый (32х12х10) U009-620-1RS для ЗЦПБ-370, ЗЭП-600Н, НПГ-М3-1100-С
189 р.
1.03
U009-629-RS0
Подшипник шариковый 629-2Z (26х9х8) U009-629-RS0
294 р.
2
N000-019-862
Фланец внутренний D14 Ls17.5 N000-019-862
123 р.
3
U353-115-006
Шпонка сегментная 13x5x4 U353-115-006 для ЗДМ-1200Р, УШМ-180-2005 П
114 р.
4
U503-211-004
Кожух диска
577 р.
5
U503-236-005
Шпиндель
256 р.
7
UM01-000-037
Винт M5x19
92 р.
8
UM04-001-003
Шайба-гровер D5
92 р.
9
U503-181-009
Кольцо пылезащитное
189 р.
10
U503-236-010
Крышка корпуса редуктора
2.420 р.
11
U009-620-200
Подшипник шариковый 6202 открытый (35х15х11) n/n
366 р.
12
U253-235-013
Фиксатор подшипника шпинделя D42xh2,2
92 р.
13
UM04-001-002
Шайба-гровер D4
92 р.
14
UM01-000-018
Винт M4x14 РН2
92 р.
15
U503-236-015
Шестерня ведомая D75xd15 Z43
793 р.
16
UM06-001-006
Кольцо разжимное D14
92 р.
18
U503-236-018
Корпус редуктора 119x104x104
978 р.
19
UM02-000-138
Саморез 5х31 РН2
34 р.
21
U503-236-021
Кнопка стопора 30.3x27.7x9.5
94 р.
22
N000-019-911
Кнопка блокировки вала
6.300 р.
23
U503-236-023
Стопор D8,42x12,34
112 р.
24
UM05-001-008
Гайка М8 автогровер
11 р.
25
U503-236-025
Шестерня ведущая D21xd9 Z10
948 р.
27
UM06-002-009
Кольцо стопорное сжимное D36
92 р.
28
U503-236-028
Ротор КД D60x51.8
3.605 р.
29
U503-181-030
Кольцо пылезащитное D29
114 р.
31
U253-235-032
Втулка подшипника 629 резиноваяD30x9
133 р.
33
U503-236-033
Диффузор
6.300 р.
34
U503-236-034-2
Статор КД
2.404 р.
35
U253-120-055
Катушка индукционная ферромагнитная
92 р.
36
U503-236-036
Накладка резиновая
92 р.
37
U503-236-037
Корпус двигателя
1.097 р.
40
V000-004-294
Блок плавного 250V~ 50Hz V000-004-294 для ЗИЭ-40-2500, ЗУШМ-180-1800П_z01
477 р.
40
U503-236-040
Щеткодержатель в сборе с пружиной
383 р.
41
U503-181-042
Клемма
92 р.
42
UM02-000-018
Саморез 4x12 PH2
92 р.
43
U503-236-043
Крышка щеткодержателя
40 р.
44
U503-236-044-W
Щетка графитовая (пара) 7x14x21
220 р.
46
U503-236-046
Шайба пластиковая
–
47
U503-236-047
Вставка амортизационная
189 р.
49
U503-181-050
Конденсатор 0,47 M х2 40/085/21C 275V~
–
50
U503-236-050
Кнопка фиксации поворота рукоятки
44 р.
51
U503-181-052
Пружина
189 р.
52
V000-003-265
Выключатель S230B 12(12)A 250V ~ 5E4
499 р.
53
U503-236-053
Ручка правая часть
383 р.
53.C
N000-027-403-C
Рукоятка в сборе левая и правая часть
3.293 р.
54
UM02-000-027
Саморез 4x18 PH2
92 р.
55
U503-181-056
Прижим шнура
–
56
U098-004-025
Воротник шнура
92 р.
57
U503-236-057
Ручка левая часть
383 р.
58
U099-004-008-3
Шнур сетевой Rubber 2x1,5mm2 3m
383 р.
59
U503-210-019
Ручка боковая дополнительная
286 р.