Магазин запчастей для бытовой техники - Arlos
Москва
close
Выберите ваш регион
АбаканАлександровАльметьевскАнгарскАрзамасАрмавирАртемАрхангельскАстраханьАчинскБалаковоБалашихаБеларусьБелгородБердскБерезникиБийскБлаговещенскБратскБрянскВеликий НовгородВидноеВладивостокВладикавказВладимирВолгоградВолгодонскВолжскийВологдаВолховВоркутаВоронежВоскресенскВыборгГатчинаГеленджикГрозныйДедовскДербентДзержинскДзержинскийДимитровградДмитровДолгопрудныйДомодедовоДонецкЕвпаторияЕгорьевскЕкатеринбургЕлецЕссентукиЖелезногорскЖелезнодорожныйЖуковскийЗеленоградЗлатоустИвановоИвантеевкаИжевскИркутскИстраЙошкар-ОлаКазаньКалининградКалугаКаменск-УральскийКамышинКаспийскКемеровоКерчьКировКисловодскКлинКовровКоломнаКомсомольск-на-АмуреКопейскКоролёвКостромаКотельникиКрасногорскКраснодарКраснознаменскКрасноярскКурганКурскКызылЛенинск-КузнецкийЛипецкЛобняЛыткариноЛюберцыМагнитогорскМайкопМалаховкаМахачкалаМиассМоскваМурманскМуромМытищиНабережные ЧелныНазраньНальчикНаро-ФоминскНахабиноНаходкаНевинномысскНефтекамскНефтеюганскНижневартовскНижнекамскНижний НовгородНижний ТагилНовокузнецкНовокуйбышевскНовомосковскНовороссийскНовосибирскНовоуральскНовочебоксарскНовочеркасскНовошахтинскНовый УренгойНогинскНорильскНоябрьскОбнинскОдинцовоОктябрьскийОмскОрелОренбургОрехово-ЗуевоОрскПавловский ПосадПензаПервоуральскПермьПетрозаводскПетропавловск-КамчатскийПодольскПрокопьевскПсковПушкиноПятигорскРаменскоеРеутовРостов-на-ДонуРубцовскРыбинскРязаньСакиСалаватСамараСанкт-ПетербургСаранскСаратовСевастопольСеверодвинскСеверскСергиев ПосадСерпуховСимферопольСмоленскСосновый БорСочиСтавропольСтарый ОсколСтерлитамакСтупиноСургутСызраньСыктывкарТаганрогТамбовТверьТихвинТольяттиТомилиноТомскТроицкТулаТюменьУлан-УдэУльяновскУссурийскУсть-ИлимскУфаУхтаФеодосияФрязиноХабаровскХанты-МансийскХасавюртХимкиЧебоксарыЧелябинскЧереповецЧеркесскЧеховЧитаШахтыЩелковоЭлектростальЭлистаЭнгельсЮжно-СахалинскЯкутскЯлтаЯрославль
  • - бесплатно по РФ
    Автоперезвон. Работает по принципу: Вы позвонили на номер, мы сбрасываем звонок и перезваниваем через 3 секунды.
  • - по Москве
  • 8 (925) 663-83-63

Call-центр

пн-вс: 10:00-19:00

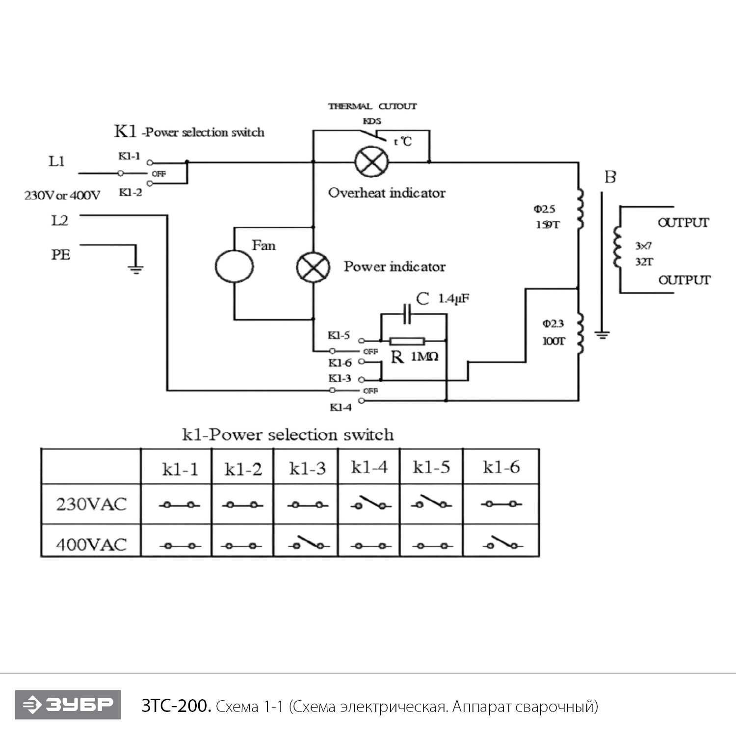
Сварочный аппарат, ММА ЗТС-200

Данная модель имеет несколько схем

NАртикулНазваниеСрок отгрузкиЦенаКупить
1 UM03-000-017 Болт M8х24
2 U540-180-002 Ручка
3 U540-180-003 Накладка прозрачная
4 UM02-000-141 Саморез 4х13 PH2
5 U540-180-005 Корпус
6 U540-200-006 Термовыключатель KDS-48A 577 р.
8 U540-200-008 Трансформатор в сборе 17.454 р.
11 UM05-000-005 Гайка M5 92 р.
12 UM04-001-003 Шайба-гровер D5 92 р.
13 UM04-000-003 Шайба D5 #F 92 р.
14 UM03-000-038 Болт M5X23
15 U540-180-015 Указатель тока
16 UM01-000-004 Винт M3x5 PH1 (потай) #F 92 р.
19 U540-180-019 Шнур сетевой 3x2.5 371 р.
20 U540-180-020 Фиксатор шнура
21 UM02-000-008 Саморез 3x14 PH1 92 р.
22 UM01-000-018 Винт M4x14 РН2 92 р.
23 UM04-001-002 Шайба-гровер D4 92 р.
24 UM04-000-002 Шайба D4 92 р.
25 U540-180-025 Вентилятор KDF-150 3.293 р.
26 U540-180-026 Основание
27 UM04-003-001 Шайба стопорная D4 92 р.
28 U540-180-028 Переключатель HZ8B-20/3/4/D 1.828 р.
29 U540-180-029 Проставка
30 UM01-000-015 Винт M4x12 92 р.
31 U540-180-031 Рукоятка переключателя
32 UM01-000-005 Винт M3x8 PH1 #F 92 р.
33 U540-180-033 Индикатор сети
34 U540-180-034 Индикатор перегрева
35 U540-180-035 Винт-клемма
36 U540-180-036 Втулка диэлекртическая
37 U540-180-037 Втулка диэлекртическая
38 UM04-000-006 Шайба D10 92 р.
39 UM05-000-008 Гайка M10 92 р.
40 U540-180-040 Гайка-барашек M10
41 U540-180-041 Кабель сварочный с держателем электрода 1.741 р.
42 U540-180-042 Заглушка рукоятки
43 U540-180-043 Рукоятка регулятора тока
45 U540-180-045 Кабель заземления с зажимом 1.258 р.
46 U540-180-046 Заглушка колеса
47 UM04-003-004 Шайба стопорная D8 92 р.
48 U540-180-048 Колесо
49 U540-180-049 Ось
50 U540-180-050 Опора
51 UM01-000-037 Винт M5x19 92 р.
Найдено товаров: 45
1
▲ Наверх
0
8 (925) 663-83-63

Call-центр

пн-вс: 10:00-19:00

НАЙТИ ПО МОДЕЛИ
Введите номер заказа
Введите номер своего заказа, что бы узнать его текущий статус.
Что бы получить доступ к расширенным функциям, пройдите не сложную регистрацию. Зарегистрироваться